Sie sind nicht angemeldet.

Lieber Besucher, herzlich willkommen bei: Panorama Community. Falls dies Ihr erster Besuch auf dieser Seite ist, lesen Sie sich bitte die Hilfe durch. Dort wird Ihnen die Bedienung dieser Seite näher erläutert. Darüber hinaus sollten Sie sich registrieren, um alle Funktionen dieser Seite nutzen zu können. Benutzen Sie das Registrierungsformular, um sich zu registrieren oder informieren Sie sich ausführlich über den Registrierungsvorgang. Falls Sie sich bereits zu einem früheren Zeitpunkt registriert haben, können Sie sich hier anmelden.

Undertable

Mega-User

  • »Undertable« ist der Autor dieses Themas

Beiträge: 1 207

Wohnort: all over the world

Beruf: Imperator

  • Nachricht senden

1

Donnerstag, 19. Januar 2017, 18:07

Schwenkwinkel für Sony RX100 III gesucht

Hi,

für meine Sony RX100 III @ 24mm (Anfangsbrennweite) suche ich die Schwenkwinkel.
Speziell der obere Schwenk (Hochformatmontage) interessiert mich, also der Schwenk über die lange Sensor-Seite.
Die Überlappung soll nicht größer wie nötig sein aber groß genug dass PtGUI ausreichend Kontrollpunkte finden kann.

Die Kamera hat einen 1"-Sensor: 13,2 x 8,8mm
In den technischen Daten des Herstellers finde ich jedoch keine Bildwinkel-Angaben, die man für Vanderpol`s Pano-Rechner benötigt.

Welcher Schwenkwinkel ist sinnvoll?

2

Donnerstag, 19. Januar 2017, 18:34

http://www.heiliger-net.de/panphoto/bild….htm#Berechnung

wenn du da die 24mm und hochformat eingibst und die Überlappung festlegst, bekommst Du 9-10 Aufnahmen für 360°

Undertable

Mega-User

  • »Undertable« ist der Autor dieses Themas

Beiträge: 1 207

Wohnort: all over the world

Beruf: Imperator

  • Nachricht senden

3

Donnerstag, 19. Januar 2017, 18:45

Danke für den Link. interessanter Rechner, den kannte ich noch nicht.
Beim unteren Schwenk sind Hardwaremäßig 10x36° vorgegeben. Die will ich so beibehalten.
Beim oberen Schwenk möchte ich ne eigene Rastung machen die ich nun frei festlegen kann.
Im Prinzip geht`s darum wieviele Reihen ich brauche und und welche Winkel ich hierbei schwenke.

Muss der Rechner eigentlich nichts über den Sensor wissen?

So wie`s ausschaut wird hier der Drehwinkel berechnet:
Bei 20% Überlappung => 8 Bilder
Bei 30% Überlappung => 10 Bilder

Für den oberen Schwenk (Neigung) müsste ich zur Berechnung dann Querformat eingeben oder?
Bei 10% Überlappung => 5 Bilder
Bei 30% Überlappung => 7 Bilder
Eigentlich kann ich das durch 2 Teilen, weil ich ja nur 180° durch Neigen abdecken muss, den Rest bekomme ich durch den unteren Schwenk.

Dann müsste ich also 3 Reihen machen, ist das korrekt?

Dieser Beitrag wurde bereits 1 mal editiert, zuletzt von »Undertable« (19. Januar 2017, 19:49)


4

Donnerstag, 19. Januar 2017, 19:40

In meiner Erinnerung waren es 2x10+Nadir+Zenit
Eben schnell mit meinem 24er probiert, funktioniert.
Nachteil, in der wichtigen Bildmitte hat man eine Stichingzone.

Undertable

Mega-User

  • »Undertable« ist der Autor dieses Themas

Beiträge: 1 207

Wohnort: all over the world

Beruf: Imperator

  • Nachricht senden

5

Donnerstag, 19. Januar 2017, 20:13

2x10+N+Z wär noch vertretbar.

Auf die Rastung für N auf dem Adapter (PocketPano) kann ich vermutlich verzichten da dessen Footprint bestimmt recht groß ist. Bei dem kurzen Schwenkarm sitzt die Linse recht nah am Adapter-Fuß und sieht ihn vermutlich recht groß.
Z wäre machbar. Also müsste ich insgesamt 3 Rastungen vorsehen: 1xZ + 2x10.

Die untere Reihe kann so weit runter dass der Footprint gerade so im Randbereich erscheint - vielleicht ein klein wenig mehr wegen Bildqualität und Verzeichnung.
Die obere Reihe zur unteren ca. 50° (Kalkulator: 51° bei 30%). Dann hätte es zum Zenithbild mehr Überdeckung.

Oder ich mittle aus: +90° für Z, +25° obere Reihe, -25° untere Reihe.
Ist vermutlich besser oder?

So sieht meine Modifizierung des PocketPano von innen aus


Mit der Schraube/Scheibe wird der Edelstahl-Rasteinsatz mit dem Schwenkarm verklemmt.
Bei Bedarf kann man die Rastung beliebig um die Achse drehen und verklemmen,
z.B. um die Überdeckung der unteren Bilderreihe auf dem Footprint einzustellen oder auch um zwischen 2 Rastungen zu wechseln wie z.B. einer universellen 15°-Rastungund einer Kameraspezifischen.


Da Stellt man die Vorspannung der Axiallager ein:


Bevor ich die Rastbohrungen setzte lasse ich folgende 2 Varianten mal noch offen zur Diskussion und bin gespannt auf Eure Einschätzungen:
Die untere Reihe kann so weit runter dass der Footprint gerade so im Randbereich erscheint - vielleicht ein klein wenig mehr wegen Bildqualität und Verzeichnung.
Die obere Reihe zur unteren ca. 50° (Kalkulator: 51° bei 30%). Dann hätte es zum Zenithbild mehr Überdeckung.

Oder ich mittle aus: +90° für Z, +25° obere Reihe, -25° untere Reihe.
Ist vermutlich besser oder?

Dieser Beitrag wurde bereits 6 mal editiert, zuletzt von »Undertable« (29. Januar 2017, 07:31)


pocketPANO

Neu im Forum

Beiträge: 47

Wohnort: Ilmenau

Beruf: Ingenieur

  • Nachricht senden

6

Freitag, 20. Januar 2017, 15:36

Hallo Oli,

sieht gut aus, dein pocketPANO!
Der Halbwinkel des Footprints sollte etwa 14° betragen. Der Bildwinkel auf der langen Seite beträgt knappe 74°, d.h. der Schwenkwinkel für die unterste Reihe (wenn du kein Nadirbild machen willst, finde ich auch sinnvoll) müsste mindestens -39° betragen (90-((74/2)+14). Von da relativ nach oben +52° (also bei +13° von der Mittellage, für 30% vertikalen Überlapp). Dann hast du aber nur den Bildwinkel bis ca. +50° nach oben abgedeckt, das reicht nicht ohne weitere Reihe mit nur einem einem Zenitbild (53°x74°). Oder du verzichtest auf den vertikalen Überlapp und machst du zweite Reihe eben bei max. +35°, dann hättest du eine Abdeckung nach oben bis zu 72°, das würde mit einem Zenitbild reichen.
Ich persönlich würde nicht auf den vertikalen Überlapp verzichten, und lieber ein paar mehr Bilder machen in 3 Reihen: -52°, 0°, +52°, Zenit oder -39°, +13°, +65° ohne Zenit
Genau diese Rastungen sind übrigens auch original am Pocketpano vorgegeben (-52°, 0°, +52° per Klickrast; -39°, +13°, +65° per Rastbolzen möglich [ist ja quasi dieselbe Teilung nur um +13° nach oben versetzt]).

Zitat

Oder ich mittle aus: +90° für Z, +25° obere Reihe, -25° untere Reihe.
Hast du da vielleicht einen Denkfehler? +-25° wäre viel zuwenig Schwenkwinkel mit sehr viel Überlapp

So, jetzt hast du die Qual der Wahl ;-)

Schöne Grüße
Lutz

Undertable

Mega-User

  • »Undertable« ist der Autor dieses Themas

Beiträge: 1 207

Wohnort: all over the world

Beruf: Imperator

  • Nachricht senden

7

Freitag, 20. Januar 2017, 17:40

Hallo Lutz,

schön dass Du hier her gefunden hast und herzlichen Dank dass Du mich mit den Schwenkwinkeln supportest. Ich hatte mich voller Eifer in`s Gefecht gestürzt ohne zunächst mal auszuprobieren und Winkel abzunehmen ;-)
sieht gut aus, dein pocketPANO!
Vielen Dank. Die Optik ist das Eine, ob`s am Ende auch funktioniert wird sich noch zeigen. Ich bin vor allem gespannt ob ich mit dem M4er federnden Druckstück die selbsthaltende Rastung hinbekomme. Werde berichten wie`s weiter geht.

Zu den Bildwinkeln bin ich Volker`s Link zum Panorechner auf www.heiliger-net gefolgt:

Wenn ich den richtig interpretiere beträgt der Drehwinkel für den oberen Schwenk 51° bei 30% Überlappung (ist das OK oder sollten es für ptGUI mehr oder weniger sein?). Gerundet müsste ich also 50° schwenken.
Vermutlich sind meine Winkelangaben etwas unüblich was zu Verwirrung führen könnte. Ich versuch mal zu erklären wie ich dachte:

Gedanklich liegt bei mir die Horizont-Reihe bei 0° Neigung. Zugunsten der Anzahl von Einzelaufnahmen würde ich jedoch nicht die (gedachte) Horizont-Reihe schwenken sondern eine drüber und eine drunter.
Der oben ermittelte Schwenk (bei mir die Neigung) wurde mit 51° angegeben, gerundet also 50°. So kam ich auf die ±25°.
Ohne Horizont Reihe (bei 0°-Neigung) bräuchte ich theoretisch genau genommen 4 Reihen: ±25,5° und ±75,5°. Das hab ich gedanklich mal versucht im universellen 15° Raster zu machen: ±30° und ±75°. Klicks zu zählen (und teilweise leer zu überspringen) bin ich bei meiner selbsthaltenden Rastung eh schon gewohnt, insofern wär`s denkbar. Zudem hab ich beim 15°-Raster die universellen Winkel 0°/45°/90° für beliebige Spielereien parat.
Da ich meinen Rastring zum Schwenkarm drehen- und in beliebiger Position klemmen kann kann ich also beides realisieren, die universelle 15°Rastung und die für speziell die RX100III zugeschnittene.
Die 15°-Rastung hab ich schon mal 1,3mm vorgebohrt:

Die Freibohrungen sollen dann noch auf 1,4 aufgebohrt werden. Dann müssen da noch die Kegelsenkungen möglichst gleichmäßig auf Durchmesser 2,1 gemacht werden.

Was die Kameraspezifische Rastung betrifft würde ich evtl. Deinen Vorschlag übernehmen. Muss ich mir gleich im Anschluss nochmal anschaun. Ich schick den Text hier erst mal ab...

...weiter geht`s
Ich persönlich würde nicht auf den vertikalen Überlapp verzichten, und lieber ein paar mehr Bilder machen
Seh ich genausso.
-52°, 0°, +52°, Zenit oder -39°, +13°, +65° ohne Zenit
Da würde mir die letzte Variante zusagen.
Genau diese Rastungen sind übrigens auch original am Pocketpano vorgegeben (-52°, 0°, +52° per Klickrast; -39°, +13°, +65° per Rastbolzen möglich [ist ja quasi dieselbe Teilung nur um +13° nach oben versetzt]).
An der Stelle nochmal herzlichen Dank für Deine Erläuterung. Dann weiß ich jetzt wie ich`s mache:
Ich löse die klemmung meiner Rastscheibe und drehe sie um 180°. Auf der noch nicht benutzten Seite setze ich dann das Bohrbild ohne N und ohne Z:
-39°, +13°, +65°...quasi dieselbe Teilung nur um +13° nach oben versetzt

Meine N+Z-Bohrungen von der 15°-Teilung kann ich in dem Fall dann ignorieren. Oben und unten findet man quasi auch blind recht gut.

Viele Grüße
Oli

Dieser Beitrag wurde bereits 6 mal editiert, zuletzt von »Undertable« (20. Januar 2017, 18:42)


pocketPANO

Neu im Forum

Beiträge: 47

Wohnort: Ilmenau

Beruf: Ingenieur

  • Nachricht senden

8

Freitag, 20. Januar 2017, 23:15

Hallo Oli,
Erstmal sorry für meine Verwirrung bezüglich der +-25° Winkel, ich hatte irgendwie geglaubt dass du eine Reihe bei 0° und zwei bei +25 und -25° willst, da hab ich wohl zu schnell gelesen.
Die Idee, eine universelle 15° Rastung UND eine spezifische Rastung zu implementieren find ich super. Gibts bei der Verdrehung der Rastscheibe irgendeine Möglichkeit, die 180° Verdrehung per Anschlag oder ähnlichem zu begrenzen? Oder ist dies eher eine einmalige Einstellung und nicht "im Einsatz" geplant? Und was die Selbsthaltung durch das Druckstück betrifft: zur Not kannst du ja bei dir die Klemmkraft des Gelenks so einstellen, dass es zusammen mit dem Druckstück gut hält. Aus Interesse: hast du eine Angabe zur Federkraft deines Druckstücks?

Schöne Grüße, Lutz

Undertable

Mega-User

  • »Undertable« ist der Autor dieses Themas

Beiträge: 1 207

Wohnort: all over the world

Beruf: Imperator

  • Nachricht senden

9

Samstag, 21. Januar 2017, 09:18

Moin Lutz,

hab meine Rastscheibe nun um Deine Kameraspezifische Rastung ergänzt. Weil ich ungeduldig war und über`s Wochenende ausprobieren wollte hab ich den Fehler gemacht und die "Präzisionssenkungen" auf meinem Hobby-Bohrmaschinchen zuhause gemacht.
Die Kegelsenkungen sind nicht so gleichmäßig geworden wie ich mir`s gewünscht hätte aber ganz verhunzt hab ich`s zum Glück auch nicht:

Das sind nun also die Kameraspezifischen Raststellungen (inclusive N+Z von der gegenüberliegenden 15 Grad-Teiung) und wie man sieht, meine selbsthaltende Rastung funktioniert *

Deine Winkelangaben waren goldrichtig. Der Footprint verschwindet bei Fokus auf 1m+ im Nadirloch. Fokussiert man nahe ist er am Rand gerade noch erkennbar. Hast Du sehr gut ermittelt.

Auch die anderen Winkel stimmen. Ich komme also mit 3 Reihen ohne N und ohne Z aus. 30 Bilder finde ich OK.


Gibts bei der Verdrehung der Rastscheibe irgendeine Möglichkeit, die 180° Verdrehung per Anschlag oder ähnlichem zu begrenzen? Oder ist dies eher eine einmalige Einstellung und nicht "im Einsatz" geplant?

Anschläge sind manchmal aufwändig und Problembehaftet, insbesondere wenn eine in Bewegung befindliche Masse hart abgebremst werden muss (jetzt fang ich schon wieder damit an, sorry). Gerade bei meiner selbsthaltenden Rastung kann`s auch mal passieren dass die Kamera versehentlich durchrastet. Da käme so eine "harte Bremsung" wohl weniger gut. Ist aber auch nicht unbedingt erofrderlich. Den Wechsel zwischen den beiden Rastungen hab ich mir in etwa so vorgestellt aber bislang noch nicht ausprobiert:

Man schwenkt die Kamera in eine leicht zu erkennende Position die in beiden Rastungen an derselben Position vorkommt, idealerweise N oder Z, und lässt sie dort in die selbsthaltende Rastung schnappen.
Dann löst man die Klemmschraube die den Rastring kraftschlüssig mit dem Schwenkarm verbindet und schwenkt die Kamera um 180°, also von N nach Z oder umgekehrt. Hierbei kann vielleicht eine Hilfsmarkierung oder Wasserwaage helfen?
Dann zieht man die Klemmschraube wieder fest.
Das eingerastete federnde Druckstück sollte die Rastscheibe unverändert in Position am Ständerteil halten, während der Schwenkarm bei gelöster Klemmung 180° verstellt wurde.
Schwenkt man nach dem Festziehen wieder 180° in die Ausgangsstellung zurück sollte der Rastring in derselben Position 180° verdreht sein, wodurch die andere Rastung nutzbar wird.

was die Selbsthaltung durch das Druckstück betrifft: zur Not kannst du ja bei dir die Klemmkraft des Gelenks so einstellen, dass es zusammen mit dem Druckstück gut hält

Bei mir gibt`s keine zusätzliche Klemmkraft. Der Schwenkarm ist mit 2 Axiallagern freilaufend gelagert. Mit der ich nenn`s mal "Achsschraube" könnte ich lediglich die Vorspannung auf die Axiallager erhöhen.
Obwohl ich das ohne Bauchschmerzen könnte - es laufen ja keine Wälzkörper direkt auf (weichem) Material - will ich den Adapter leicht gängig halten. Umso besser bleiben die selbsthaltenden Rastungen fühlbar.

Aus Interesse: hast du eine Angabe zur Federkraft deines Druckstücks?
*
oben hatte ich ja erwähnt dass meine selbsthaltende Rastung funktioniert, hab aber ein Sternchen dran gemacht:
Sie funktioniert zwar wenn man, wie ich, damit eine gewisse Übung hat, ist aber zugegeben (noch) recht schwach. Die Erschütterung Deiner im Originalzustand recht starken unteren Rastung reicht z.T. schon aus dass die Kamera nach unten durchklickt. Also hab ich unten eine Feder entfernt und kann nun ganz gut damit arbeiten. Will aber noch ein stärkeres Druckstück ausprobieren, das ich mir bereits bestellt habe.

Das M4er Druckstück war bei dieser Anwendnung für mich eine Premiere. Hier hab ich eins mit Standard Federkraft verwendet das mit 4-10N angegeben wird. Bei dieser Anwendung ist wohl die Anfangskraft relevant, also 4N. Es sind aber auch stärkere mit 12-22N erhältlich. Damit sollte dann sicherer Halt gewährleistet sein. Da bin ich zumindest guter Dinge. Werde dann zu gegebener Zeit drüber berichten

Viele Grüße
Oli

Dieser Beitrag wurde bereits 3 mal editiert, zuletzt von »Undertable« (22. Januar 2017, 20:01)


Undertable

Mega-User

  • »Undertable« ist der Autor dieses Themas

Beiträge: 1 207

Wohnort: all over the world

Beruf: Imperator

  • Nachricht senden

10

Samstag, 21. Januar 2017, 20:29

konventionelle Bearbeitung

Manch Einer fragt sich vielleicht wie ich z.B. die PocketPano-Teile bearbeitet habe, insbesondere auch weil ich an verschiedenen Stellen schon erwähnt hatte dass mir keine CNC-Maschinen zur Verfügung stehen.

So sah z.B. der PocketPano-Schwenkarm nach der Bearbeitung aus:

Die Durchbrüche an den Bohrungen für den originalen Arretierbolzen sind übrigens beim Bohren meiner Rastscheibe entstanden, beim Austreten des Bohrers.
Das sind keine Abnutzungserscheinungen was man vielleicht fälschlicherweise annehmen könnte!

Damit ich das auf ner Drehbank machen kann hab ich mir so ne Aufnahme gebastelt:

Dank der geschickten Geometrie und guten Maßhaltigkeit von Lutz` Teilen konnte ich mit derselben Aufnahme Das Ständerteil und den Schwenkarm im Bereich der Lagerung beidseitig bearbeiten.

Die Schwenkwinkel hab ich wie folgt auf die Stirnfläche des Schwenkarms übertragen, die an der Stelle schön gerade ist:

Damit sich der Winkel auf dem Weg zum Bohrmaschinchen und beim Bohren nicht verstellt hab ich die beweglichen Teile aussen am Umfang mit Tesafilm zueinander fixiert.

Die selbsthaltende Rastung braucht sehr präzise Bohrungen. Damit die später genau von der Kugel des federnden Druckstücks getroffen werden fand ich es sinnvoll durch die Mitte des Einschraubgewindes abzubohren.
Dünne Bohrer verlaufen auch recht gerne und brauchen deshalb eine gute Führung, möglichst bis zum Ansetzen auf dem Werkstück. Hierfür hab ich mir quasi ne Bohrbuchse gedreht, Außengewinde und Bohrung in einer Aufspannung:


Hier der Bohrvorgang auf meinem Hobby-Tischbohrmaschinchen das ich super praktisch finde, weil`s so klein ist dass es man`s bei Nichtgebrauch einfach unterm Tisch einlagern kann.

pocketPANO

Neu im Forum

Beiträge: 47

Wohnort: Ilmenau

Beruf: Ingenieur

  • Nachricht senden

11

Sonntag, 22. Januar 2017, 18:31

Hallo Oli, Danke für die Einblicke in deine Arbeit. Ich finds immer toll zu sehen, was man mit Sorgfalt, guter Planung und entsprechendem Aufwand (z.B. deine Teileaufnahme und Bohrbuchse) so hinbekommt!
Das zeigt immer wieder, dass beim Drehen und Fräsen usw. die Vorbereitungen und Werkstückaufspannung das A und O sind und einen Großteil der Arbeit ausmachen.

Bei meiner Frage zur Vorspannung hab ich wohl gepennt. Ich habe zwar die zwei Lager gesehen, war durch die großen Metallflächen gedanklich aber irgendwie bei nem Gleitlager...Quatsch.

Und schön dass die Winkel so gut passen. Die 14° des Footprints hatte ich nur schnell anhand der Adaptergeometrie berechnet, aber schön, wenn die Theorie auch mal in der Praxis stimmt *g*

Vielleicht noch eine Idee zur Erhöhung der Rastkraft (falls das noch nötig und möglich sein sollte): du könntest die Kegelsenkungen ja mit einem spitzeren Winkel bohren, z.B. 60°. Dadurch verringert sich beim Verdrehen die Kraftkomponente auf das Druckstück und man braucht mehr Kraft zum weiterdrehen. Der mögliche Verschleiß beim Ein- und Austritt durch den steileren Winkel sollte bei Edelstahl ja auch kein Problem darstellen. Aber vielleicht reicht ja schon der Austausch des Druckstücks gegen die verstärkte Variante...

Schöne Grüße, Lutz

Undertable

Mega-User

  • »Undertable« ist der Autor dieses Themas

Beiträge: 1 207

Wohnort: all over the world

Beruf: Imperator

  • Nachricht senden

12

Sonntag, 22. Januar 2017, 19:41

Hallo Lutz,
Danke für die Einblicke in deine Arbeit
immer gern.

die Kegelsenkungen ja mit einem spitzeren Winkel bohren, z.B. 60°. Dadurch verringert sich beim Verdrehen die Kraftkomponente auf das Druckstück und man braucht mehr Kraft zum weiterdrehen.
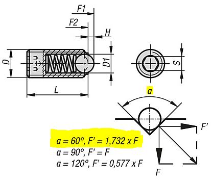
Richtig. Mein Normteillieferant berechnet bei der 60°-Senkung die Kraft mit dem Faktor 1,732:
Bei meinem gegenwärtigen federnden Druckstück mit Standardfederkraft wären das 4N x 1,732 = 6,928N. Die Variante mit verstärkter Federkraft hat 12N.

Speziell mit dieser Art der Rastung hab ich schon einige praktische Studien bzw. Musterteile gemacht. Die 90°-Senkung hat mich immer wieder überzeugt. Bei der 60° Senkung liegt die Kontaktlinie der sitzenden Kugel näher am Rand der Senkung, wo im Verschleißfall am "Kraterrand" verdrängtes und seitlich aufgebautes Material früher den sauberen Kugelsitz stören könnte. Bei Edelstahl passiert da freilich nicht so viel wie bei weicheren Werkstoffen. Jedoch muss man auch die Größenverhältnisse im Auge behalten je kleiner die Ausführung wird umso weniger Raum hat man für solche Dinge. DER Hauptgrund für meine Vorliebe zur 90°-Senkung ist aber das ich nenn`s mal "wohlwollende" Rastverhalten:

In dem Moment wo die Kugel über den "Kraterrand" rollt will sie schon in den Rastsitz schnappen. Bei der 90°-Senkung kommt dieser "Kraterrand" quasi schon etwas früher als bei der 60°-Senkung.
Das gibt Sicherheit beim Handling weil man den Rastpunkt nicht so feinfühlig ertasten muss. Gerade bei Nodalpunktadaptern will ich mit der selbsthaltenden Rastung einfacher arbeiten und Zeit sparen für die meiner Meinung nach unnötigen Handgriffe für manuelle Klemmung oder Arretierbolzenbetätigung.

Viele Grüße
Oli

Undertable

Mega-User

  • »Undertable« ist der Autor dieses Themas

Beiträge: 1 207

Wohnort: all over the world

Beruf: Imperator

  • Nachricht senden

13

Freitag, 27. Januar 2017, 17:34

Ergebnis: federndes Druckstück M4 mit verstärkter Federkraft

ob`s am Ende auch funktioniert wird sich noch zeigen. Ich bin vor allem gespannt ob ich mit dem M4er federnden Druckstück die selbsthaltende Rastung hinbekomme. Werde berichten wie`s weiter geht.
Mit der verstärkten Federkraft ist es nun so wie ich mir`s gewünscht hatte. Ein Videoclip kann hier geladen werden.

Die andere Sache war der Umbau zwischen der 15°-Rastung und der Kameraspezifischen:
Man schwenkt die Kamera in eine leicht zu erkennende Position die in beiden Rastungen an derselben Position vorkommt, idealerweise N oder Z, und lässt sie dort in die selbsthaltende Rastung schnappen.
Dann löst man die Klemmschraube die den Rastring kraftschlüssig mit dem Schwenkarm verbindet und schwenkt die Kamera um 180°, also von N nach Z oder umgekehrt. Hierbei kann vielleicht eine Hilfsmarkierung oder Wasserwaage helfen?
Dann zieht man die Klemmschraube wieder fest.
Das eingerastete federnde Druckstück sollte die Rastscheibe unverändert in Position am Ständerteil halten, während der Schwenkarm bei gelöster Klemmung 180° verstellt wurde.
Schwenkt man nach dem Festziehen wieder 180° in die Ausgangsstellung zurück sollte der Rastring in derselben Position 180° verdreht sein, wodurch die andere Rastung nutzbar wird.
Auch das klappt wie vorgesehen. Videoclip kann hier geladen werden.

Damit ist mein Umbau dann abgeschlossen

pocketPANO

Neu im Forum

Beiträge: 47

Wohnort: Ilmenau

Beruf: Ingenieur

  • Nachricht senden

14

Freitag, 27. Januar 2017, 18:14

Hallo Oli!

Danke für die super Doku deiner Arbeit!
Scheint ja wirklich gut zu arretieren mit den 12N Federdruck. Wie ist deine Einschätzung: genau richtig für die RX100 oder schon zu fest, oder an der Grenze zum "sicher Halten"?

Schöne Grüße
Lutz

Undertable

Mega-User

  • »Undertable« ist der Autor dieses Themas

Beiträge: 1 207

Wohnort: all over the world

Beruf: Imperator

  • Nachricht senden

15

Freitag, 27. Januar 2017, 23:45

Hi Lutz,

meine Einschätzung:
Mit der normalen Feder, also (4N) war`s etwas zu schwach obwohl sich zur Not auch damit arbeiten ließ. Wie zuvor geschildert ist die Kamera z.T. durchgerastet alleine durch die Erschütterung der Rastungen des unteren Schwenks.
Mit der starken Feder (12N) find ich`s genau richtig für die RX100. Man kriegt sie zwar auch zum Durchklicken bzw. Absinken wenn man`s drauf anlegt und die Kamera zwischen den Rastungen seitlich oder oben los lässt und frei nach unten sausen lässt oder wenn man grob ans Stativ stößt, jedoch sollte das auch nicht die vorgesehene Verwendung sein!
Die selbsthaltende Rastung sollte die Kamera in Position halten nachdem man sie von Hand in die entsprechende Rastung geführt- und losgelassen hat. Sie soll also das Eigengewicht der Kamera halten und etwas mehr für leichte Erschütterungen wie Klicks des unteren Schwenks, manuelle Auslöserbetätigung und evtl. auch leichte unbeabsichtigte Stöße.
Letzteres hab ich in einem der verlinkten Clips simuliert indem ich in Halteposition 3 mal gemäßigt an die Mittelsäule geklopf habe. Direkt danach hatte ich in dieser Rastposition leicht an der Kamera gewackelt um zu zeigen dass sie immer noch spielfrei in ihrer Rastung sitzt ohne dass die Rastung nachgegeben hat. Ich denke das spicht für sich.

Wie definiert man nun "sicheren Halt"?

Für o.g. Anwendung ist die Rastung sicher und meines Erachtens für die RX100III genau richtig ausgelegt.
Will man aber jegliches Absinken "sicher" verhindern indem man die Kamera nicht zu den Rastpunkten führt sondern sie z.B. dazwischen loslässt, so dass die Rastung die in Bewegung befindliche Kamera stoppt, oder indem man grob an`s Stativ rumpelt, dann wird man mit M4 nicht hin kommen und müsste ab M5 aufwärts Versuche machen.

Ich verstehe die selbsthaltende Rastung nicht als Transportsicherung sondern lediglich als Bedienungskomfort beim Aufnehmen der Bilder:
=> Keine Betätigung von Klemmschrauben oder Arretierbolzen.
=> Kamera lediglich in den Rastpunkt neigen, loslassen, Bilderreihe schießen.
=> Volle Aufmerksamkeit beim Motiv, den Lichtverhältnisen und dem eigenen Standpunkt

Viele Grüße
Oli

Dieser Beitrag wurde bereits 3 mal editiert, zuletzt von »Undertable« (28. Januar 2017, 06:03)